ABOUT
Profile
Culture
Qualification
Sales Team
NEWS
Drilling Rig Technical Service Information
Company News
PRODUCT
Engineering Crawler Drilling Rig
Sonic Rig
Water Well Drilling Rig
Anchor Rig
Ocean Rig Survey
Core Drill
Udergroud Drilling rig
Churning rig
Ancillary equipment
Reverse Circulation Drilling Rig
German Mueller Vibratory Pile Hammer
Preparation Before Construction
PROJECT
VIDEO
JOB
CONTACT
Product
Product List
Engineering Crawler Drilling Rig
Sonic Rig
Water Well Drilling Rig
Anchor Rig
Ocean Rig Survey
Core Drill
Udergroud Drilling rig
Churning rig
Ancillary equipment
Reverse Circulation Drilling Rig
German Mueller Vibratory Pile Hammer
Preparation Before Construction
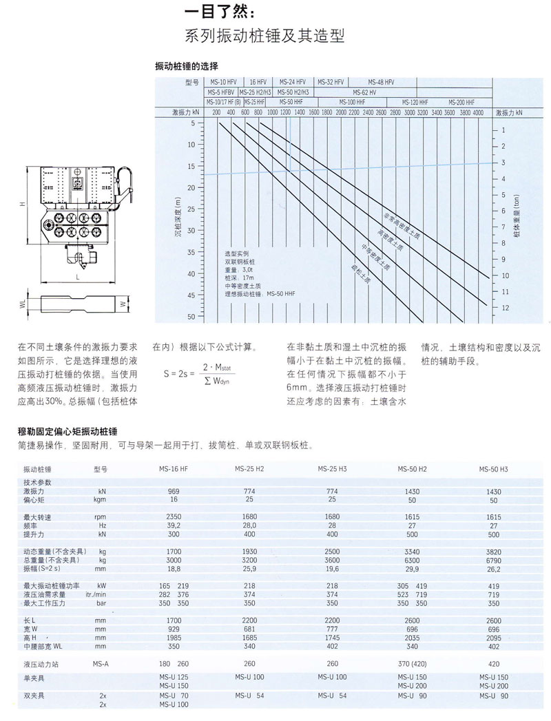
New Generation HFV Vibration Pile Hammer
Product description
HOME
ABOUT
Profile
Culture
Qualification
Sales Team
NEWS
Drilling Rig Technical Service Information
Company News
PRODUCT
Engineering Crawler Drilling Rig
Sonic Rig
Water Well Drilling Rig
Anchor Rig
Ocean Rig Survey
Core Drill
Udergroud Drilling rig
Churning rig
Ancillary equipment
Reverse Circulation Drilling Rig
German Mueller Vibratory Pile Hammer
Preparation Before Construction
PROJECT
VIDEO
JOB
CONTACT